产品展示
您现在的位置:首页 > 产品展示 > 德国Semikron公司 IGBT模块
SEMITRANS系列

SEMITRANS系列
产品简介
SEMITRANS是一种稳健的工业标准封装,配备铜底板和用于电源连接的螺丝端子。SEMITRANS封装采用低电感设计,可用于20kW至500kW的逆变器。
产品详情
► 提示:
德国Semikron赛米控公司生产的IGBT模块按封装形式可分为六大系列,分别是
SKIM系列 SKiip IPM系列 SEMiX系列
SEMITRANS系列 SEMITOP系列 MiniSKiiP系列
点击某一系列,可跳转到相应页面。
SEMITRANS® IGBT模块
SEMITRANS是一种稳健的工业标准封装,配备铜底板和用于电源连接的螺丝端子。SEMITRANS封装采用低电感设计,可用于20kW至500kW的逆变器。通过多渠道采购的IGBT以及赛米控CAL二极管,这些模块的规格可达到900A和 1700V。凭借超过25年的市场经验,SEMITRANS封装提供成熟可靠、久经考验的标准化设计。
应用领域:这种久经考验的封装设计应用广泛,如再生逆变器和电源。使用寿命长,非常适合高要求的应用,如交流变频器、开关磁阻和直流电机。
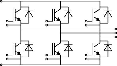
SEMITRANS® IGBT模块内部电路连接图
GB 两单元 |
GAL 单开关 |
GAR 单开关 |
GA 一单元 |
MLI 三电平 |
GD 六单元 |
SEMITRANS® IGBT模块型号(点击某一型号,可查看该型号PDF文件)











