
SEMIX系列
产品简介
SEMiX系列的设计理念包括统一的IGBT和整流器外壳。它们都具有相同的高度(17mm),并可通过一种直流母线设计相连接。 可用于广泛的应用,如交流电机驱动器、开关电源和电流源型逆变器。
产品详情
► 提示:
德国Semikron赛米控公司生产的IGBT模块按封装形式可分为六大系列,分别是
SKIM系列 SKiip IPM系列 SEMiX系列
SEMITRANS系列 SEMITOP系列 MiniSKiiP系列
点击某一系列,可跳转到相应页面。
SEMiX® 优势
SEMiX系列的设计理念包括统一的IGBT和整流器外壳。它们都具有相同的高度(17mm),并可通过一种直流母线设计相连接。这样节省了开发时间,并且促成了简易的低电感直流母线配置。弹簧或press-fit连接使得门极驱动可直接安装在模块顶部,因此没有线缆噪声或连接器松脱的风险。得益于扁平化封装以及相互分离的交流和直流端子,可以实现高度紧凑且较先进的逆变器结构。辅助连接避免了焊接操作,提供高度可靠的压接连接。产品的可靠性和使用寿命得以显著提升。免焊接连接可实现快速而便的组装过程。一致的组装方向可以优化客户现场的生产(均为自上而下)。这简化了物流运输,且降低了生产成本。半桥拓扑结构有多种连接技术(如press-fit和弹簧连接)和集成等级可供选择:电流测量分流电阻可集成在电源模块中,并提供即插即用驱动解决方案以及预涂相变材料,以缩短上市和开发时间。
SEMiX® 应用
SEMiX是一种灵活且面向应用的模块。以可扩展平台理念为基础,现代芯片技术集成于IGBT和整流器模块中,可用于广泛的应用,如交流电机驱动器、开关电源和电流源型逆变器。其他典型应用包括不间断电源、光伏系统和风能领域。
SEMiX® 产品范围
IGBT模块有不同的外壳尺寸可供选择,电压级别为600V、1200V和1700V。提供半桥、三相全桥和斩波器拓扑结构,电流范围为75A至600A。除了IGBT3和IGBT4芯片,1200V系列还包括多款V-IGBT设备。此外,还提供可控型、半控型和不可控控型整流器模块,具有完全相同的封装和17mm高度。对于最新款封装,我们提供可选的集成分流电阻、三电平拓扑结构(NPC、T-NPC或降压-升压变流器)。
GB两单元 |
GB两单元 ( 含shunt) | ![]() GAL单开关 |
GAR单开关 |
GD六单元 ( 三相全桥) |
|
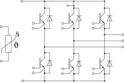
GD六单元 ( 含热敏电阻) |
GD六单元 ( 三组独立) |
SEMiX® IGBT模块内部电路连接图(点击某一型号,可查看该型号PDF文件)

















