
英国westcode 软恢复二极管
产品简介
英国westcode西码公司的分立二极管按特性分主要有五种,本页介绍的是Soft Recovery Diodes软恢复二极管,主要用于感性负载的整流电路和高频线路中的续流环节。
产品详情
![]()
英国西码 二极管 |
| 1. Rectifier Diodes整流二极管 2. Fast Recovery Diodes快恢复二极管 3. Soft Recovery Diodes软恢复二极管 4. Extra Fast Recovery Diodes 超快恢复二极管 5. High Power Sonic FRD's 高功率声波快恢复二极管 |
英国westcode西码公司的分立二极管按特性分主要有五种:Rectifier Diodes整流二极管、Fast Recovery Diodes快恢复二极管、Soft Recovery Diodes软恢复二极管、Extra Fast Recovery Diodes 超快恢复二极管、High Power Sonic FRD's 高功率声波快恢复二极管。
本公司作为英国westcode西码公司分立二极管在中国的经销商,保证原装正品,交货及时,常备现货。
本页所列表展示的是Soft Recovery Diodes软恢复二极管,主要用于感性负载的整流电路和高频线路中的续流环节。封装形式有螺栓型和平板型两种。
3. Soft Recovery Diodes软恢复二极管
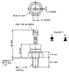
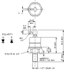
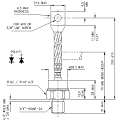
外型代号及尺寸备查
W1(42*19*14) |
W2 (42*25*14) |
W3 (42*25*26) |
W4 (58*34*26) |
W5(74*47*26) |
W37(74*47*21) |
W42(110*73*26) |
W43(100*63*26) |
尺寸 a*b*c (mm) | |||
W20 |
W21 | ||||
W22 |
W23 | ||||
W24 | |||||
► Studs 螺栓型(点击某一型号,即可下载其PDF文件。)
Part No. | VRRM (V) | IFAV (A)@ TC=55°C | Trr(μs) | Package |
2000 2500 | 130 | 2.6 | W20 | |
2000 2500 | 130 | 2.6 | ||
2000 2500 | 130 | 2.6 | W21 | |
2000 2500 | 130 | 2.6 | ||
1200 1800 | 139 | 1 | W20 | |
1200 1800 | 139 | 1 | ||
1200 1800 | 139 | 1 | W21 | |
1200 1800 | 139 | 1 |
► Capsules 平板型 (点击某一型号,即可下载其PDF文件。)
Part No. | VRRM (V) | IFAV (A)@ TC=55°C | Trr(μs) | Package |
3600 4500 | 225 | 3 | W3 | |
3000 3500 | 310 | 2.8 | W3 | |
2000 2500 | 347 | 2.8 | W1 | |
1200 1800 | 358 | 1.4 | W1 | |
2200 2800 | 367 | 3.3 | W1 | |
1200 1600 2000 | 433 | 3.5 | W1 | |
800 1400 | 437 | 3 | W1 | |
4000 4500 | 659 | 4.2 | W4 | |
5600 6000 | 710 | 4 | W4 | |
4000 4500 | 736 | 5.2 | W4 | |
1200 1600 | 759 | 2 | W2 | |
1200 1600 | 759 | 2 | W3 | |
1400 1600 | 859 | 3 | W4 | |
2600 3000 3600 | 863 | 4.8 | W4 | |
1400 1800 2100 | 4 | W4 | ||
2000 2500 | 3.4 | W4 | ||
2000 2500 | 3.4 | W113 | ||
1200 1600 2000 | 3 | W4 | ||
1000 1200 | 1080 | 1.9 | W4 | |
5000 6000 | 1102 | 5.5 | W5 | |
5000 6000 | 1102 | 5.5 | W37 | |
4000 4500 | 1104 | 6 | W5 | |
4000 4500 | 1104 | 6 | W37 | |
2600 3600 | 1242 | 6 | W5 | |
2600 3600 | 1242 | 6 | W37 | |
1800 2500 | 1494 | 3.9 | W5 | |
1800 2500 | 1494 | 3.9 | W37 | |
1800 2500 | 1494 | 3.9 | W113 | |
4000 4500 | 1565 | 5 | W6 | |
4000 4500 | 1565 | 5 | W43 | |
1200 1600 | 1858 | 2.5 | W5 | |
1200 1600 | 1858 | 2.5 | W37 | |
3000 4000 | 2322 | 6.5 | W7 | |
3000 4000 | 2322 | 6.5 | W42 | |
2000 2500 | 2413 | 5 | W6 | |
2000 2500 | 2413 | 5 | W43 |






















