
三社(SanRex)可控硅二极管模块
产品简介
日本三社SanRex可控硅二极管模块按内部连接结构分为双晶闸管、晶闸管/二极管、晶闸管反并联、晶闸管三相半桥、双二极管等不同种类,具有极低的正向压降、高浪涌电流等优异性能。
产品详情
日本三社 晶闸管二极管模块 |
|
|
日本三社SanRex晶闸管二极管模块包括双晶闸管、晶闸管/二极管、晶闸管反并联、晶闸管三相半桥、双二极管,具有极低的正向电压降、高浪涌电流等优异性能。这些优点使这些模块非常可靠和高效,适用于电机驱动器、软启动器、UPS、加热器控制、电池充电器或一般用途的广泛应用。所有SanRex模块都符合RoHS标准,作为ISO 14001环境政策的最低标准,因为我们完全支持RoHS倡议。点击某型号,可下载其详细PDF资料。
本公司作为日本三社SanRex晶闸管二极管模块中国经销商长期备有以下品种的现货:PK40FG160、PK55FG160、PK70FG160、PK110FG160、PK130FG160、PK160FG160、 PWB80A40、PWB130A40、PWB200A40等。
1、SanRex Standard Series PK( PD)三社标准系列
内部连接图 | Part # (PDF Files) | VDRM/VRRM (V) | IT(AV) (A) /@ Tj(°C) | |
| 800 1600 | 25 | 81 | |
800 | 25 | 97 | ||
1600 | 25 | 94 | ||
800 1600 | 40 | 83 | ||
800 1600 | 55 | 81 | ||
800 | 55 | 89 | ||
| 800 1600 | 55 | 85 | |
800 1600 | 70 | 84 | ||
800 1600 | 90 | 82 | ||
800 | 90 | 91 | ||
1600 | 90 | 88 | ||
800 1600 | 110 | 81 | ||
| 800 1600 | 130 | 83 | |
800 1600 | 160 | 84 | ||
800 1600 | 200 | 73 | ||
800 | 200 | 74 | ||
1600 | 200 | 74 | ||
800 | 250 | 72 | ||
SSA 单晶闸管模块 | 1600 | 250 | 72 | |
800 1200 1600 | 500 | 66 | ||
800 1200 1600 | 500 | 66 | ||
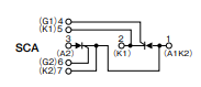
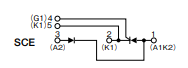
2、Industry Standard Package SCA( SCE)工业标准封装模块
内部连接图 | Part # (PDF Files) | VDRM/VRRM (V) | IT(AV) (A) /@ Tj(°C) | |
SCA双晶闸管串联 | 1600 | 55 | 95 | |
1600 | 70 | 101 | ||
1600 | 90 | 100 | ||
1600 | 110 | 95 | ||
800 1600 | 130 | 92 | ||
800 1600 | 160 | 88 | ||
SCE晶闸管二极管共阴串联 | 2000 | 160 | 85 | |
800 1600 | 160 | 88 | ||
800 1600 | 200 | 82 | ||
2000 | 200 | 76 | ||
800 1600 | 200 | 82 | ||
3、Anti-Parallel Thyristors AK反平行双晶闸管模块
内部连接图 | Part # (PDF Files) | VDRM/VRRM (V) | IT(AV) (A) /@ Tj(°C) | |
AK | 800 | 25 | 97 | |
1600 | 25 | 94 | ||
800 | 55 | 89 | ||
1600 | 55 | 85 | ||
800 | 90 | 91 | ||
1600 | 90 | 88 | ||
4、Three Phase Half Bridge PWB三相半桥
内部连接图 | Part # (PDF Files) | VDRM/VRRM (V) | IT(AV) (A) /@ Tj(°C) | |
PWB | 300 400 | 60 | 123 | |
300 400 | 80 | 116 | ||
300 400 | 100 | 114 | ||
300 400 | 130 | 112 | ||
300 400 | 200 | 121 | ||
5、Dual Diode DD, KD 系列双二极管模块
内部连接图 | Part # (PDF Files) | VRRM (V) | ID(AV) (A) /@ Tj(°C) | |
DD | 800 | 60 | 114 | |
1600 | 60 | 111 | ||
800 1600 | 60 | 110 | ||
800 1600 | 100 | 105 | ||
KD | 800 1600 | 160 | 90 | |
800 1600 2200 | 200 | 106 | ||
800 1600 | 240 | 95 | ||
800 1600 | 300 | 91 | ||











