
IXYS单三相半控全控桥
产品简介
德国IXYS公司生产的整流桥模块品种繁多,按其性能可分为单相桥、单三相半控全控桥、三相桥。本页介绍单三相半控全控桥,即VHF、VGO单相半控桥,VTO三相全控桥,VVZ三相半控桥。
产品详情
德国 IXYS 整流桥 | ![]() ![]() ![]() | 1、1~ RECTIFIER BRIDGES 单相整流桥 2、1~/3~ HALF & FULL CONTROLLED BRIDGES单三相半控全控桥 3、3~ RECTIFIER BRIDGES 三相整流桥 |
德国IXYS,专业生产电子器件,功率器件主要产品有可控硅(晶闸管)、整流二极管及其模块,快恢复二极管等,本公司作为IXYS器件在中国的经销商,主要销售IXYS可控硅模块、IXYS二极管模块、IXYS整流桥、IXYS快恢复二极管等,保证原装正品,交货及时,常备现货,价格优惠。
IXYS的整流桥模块提供不同内部连接形式,可用于几乎所有整流器。
本公司长期备有以下品种的现货: VBO30-12NO7、VHF28-14io5、VGO36-16io7、VUO190-16NO7 等。
本产品页辑录的是1~/3~ HALF & FULL CONTROLLED BRIDGES单三相半控全控桥,广泛用于电源设备中电路中。
2. 1~/3~ HALF & FULL CONTROLLED BRIDGES
内部连接图 & 外型照片
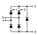
VHF |
VHFD |
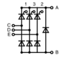
B2HZ |
B6C |
B6HK |
B6HKF |
ECO-PAC 1 |
FO-F-A |
FO-T-A |
Kamm-Modul with gate pin G2 |
V1-A-Pack |
型号列表
Part Number | VRRM (V) | IDAVM (A) | Ckt Diag | Package Style |
800 | 15 | VHF | FO-F-A | |
VHF28-08io5 VHF28-12io5 VHF28-14io5 | 800 | 28 | VHF | FO-F-A |
800 | 32 | VHF | ECO-PAC 1 | |
800 | 36 | VHF | FO-F-A | |
800 | 16 | VHFD | V1-A-Pack | |
800 | 28 | VHFD | V1-A-Pack | |
800 | 36 | VHFD | V1-A-Pack | |
1600 | 36 | B2HZ | ECO-PAC 1 | |
800 | 39 | B6C | ECO-PAC 1 | |
1200 | 39 | B6HK | ECO-PAC 1 | |
1200 | 45 | B6HK | Kamm-Modul with gate pin G2 | |
1200 | 110 | B6HK | PWS-E-2 | |
1200 | 167 | B6HK | PWS-E-2 | |
1600 | 70 | B6HKF | FO-T-A |















